Конструкция
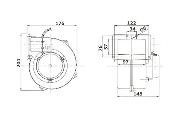
Вентилятор состоит из 2-х частей: корпуса, в котором вмонтирован мотор, и крыльчатки. Входное для воздуха отверстие защищено сеткой. Отверстие для выхода воздуха имеет отверстия для крепления и кабель питания 3x0,75 mm2.
Корпус вентилятора приспособлен для непосредственного монтажа к котлу или другим технологическим устройствам шурупами M5 или M6. После монтажа доступ к движущейся крыльчатке вентилятора не доступен для детей.
В вентиляторе используется польский однофазный, индукционный мотор с конденсатором.
